ZS型直线筛 简介
一、用途及特点
ZS系列直线振动筛应用自同步振动原理,采用振动电机作为振源,橡胶弹簧作为减振器及材质作筛板,偏心压紧密封等,具有噪音低、筛分效率等特点,适合于烧结矿、自然矿、焦碳及其它粉状物料的筛分,应用于冶金、矿山、煤炭、建材等行业。
二、型号及参数
三、主要参数
|
型 号
|
筛面规格
(长×宽)
mm
|
筛面层数
|
入料粒度
mm
|
筛孔尺寸
mm
|
振幅mm
|
筛面
倾角
度
|
振动电机
|
外形尺寸
(长×宽×高)
mm
|
|
型 号
|
功率
kW
|
振动次数
r/min
|
|
ZS0615
|
1500×600
|
1
|
<150
|
3、5、10、
15、
20、
25、
50
|
5-7
|
①
0-15
|
YZG10-0.7/6
|
2×0.70
|
1000
|
2035×1070×1340
|
|
2ZS0615
|
2
|
YZG10-0.7/6
|
2×0.70
|
2035×1070×1430
|
|
ZS0918
|
1800×900
|
1
|
YZG25-1.5/6
|
2×1.5
|
2200×1420×1570
|
|
2ZS0918
|
2
|
YZG25-1.5/6
|
2×1.5
|
2200×1420×1660
|
|
ZS1224
|
2400×1200
|
1
|
YZG40-3.0/6
|
2×3.0
|
2793×1800×1770
|
|
2ZS1224
|
2
|
YZG50-3.2/6
|
2×3.2
|
2793×1800×1860
|
|
ZS1230
|
3000×1200
|
1
|
YZG60-3.7/6
|
2×3.7
|
3250×1800×2200
|
|
2ZS1230
|
2
|
YZG63-4.5/6
|
2×4.5
|
3250×1800×2290
|
|
ZS1530
|
3600×1500
|
1
|
YZG63-4.5/6
|
2×4.5
|
3400×2220×2130
|
|
2ZS1530
|
2
|
YZG75-5.5/6
|
2×5.5
|
3400×2220×2220
|
|
ZS1536
|
3600×1500
|
1
|
YZG75-5.5/6
|
2×5.5
|
4050×2160×2120
|
|
2ZS1536
|
2
|
YZG75-5.5/6
|
2×5.5
|
4050×2160×2210
|
|
ZS1836
|
3600×1800
|
1
|
<180
|
①
5-15
|
YZO-130-6
|
2×7.5
|
4000×2520×2210
|
|
2ZS1836
|
2
|
YZO-130-6
|
2×7.5
|
4000×2520×2210
|
|
ZS1842
|
1200×1800
|
1
|
YZO-130-6
|
2×7.5
|
4864×2600×2400
|
|
2ZS1842
|
2
|
YZO-130-6
|
2×7.5
|
4864×2600×2500
|
①注:筛面倾角可根据需要任意设计
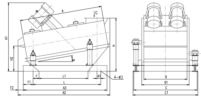
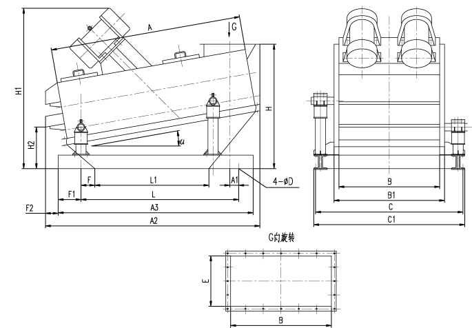
四、主要安装尺寸
1、单层筛外形图
2、双层筛外形图
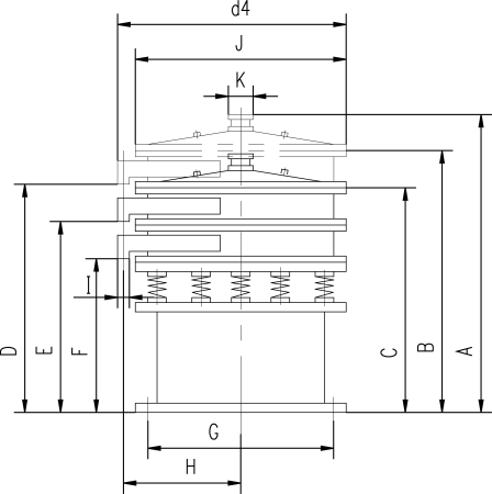
3、三层筛:
1. 筛箱 2.减振簧座 3.减振簧 4.上弹簧座 5.振动电机 6.上盖
4、四层筛:

1.筛箱 2.减振簧座 3.减振簧 4.上弹簧座 5.振动电机 6.上盖
五、性能与参数
1、主要参数如表:
|
型号
|
筛网直径
mm
|
处理量
t/h
|
振动次数
次/分
|
电动功率
kW
|
备注
|
|
XZS-2000
|
Ф2000
|
10
|
1460
|
3
|
处理量按标准物料河砂计(1.67t/m3),筛网为20目和30目,选型时按处理物料比重换算。
|
|
XZS -1800
|
Ф1800
|
8
|
1460
|
3
|
|
XZS -1500
|
Ф1500
|
6
|
1460
|
2.2
|
|
XZS -1200
|
Ф1200
|
4
|
1460
|
2.2
|
|
XZS -1000
|
Ф1000
|
2.5
|
1400
|
1.1
|
|
XZS -800
|
Ф800
|
1.7
|
1400
|
1.1
|
|
XZS -600
|
Ф600
|
1
|
1400
|
0.75
|
|
XZS -400
|
Ф400
|
0.5
|
1400
|
0.38
|
2、外型尺寸:
|
型号
|
A
|
B
|
C
|
D
|
E
|
F
|
G
|
H
|
I
|
J
|
K
|
|
XZS -2000
|
1700
|
1480
|
1260
|
1240
|
1040
|
850
|
1650
|
1220
|
240
|
2000
|
320
|
|
XZS -1800
|
1650
|
1430
|
1230
|
1220
|
1020
|
820
|
1500
|
1140
|
220
|
1800
|
280
|
|
XZS -1500
|
1540
|
1380
|
1210
|
1190
|
1020
|
850
|
1300
|
960
|
200
|
1500
|
250
|
|
XZS -1200
|
1320
|
1170
|
1010
|
990
|
820
|
650
|
1100
|
860
|
160
|
1280
|
220
|
|
XZS -1000
|
1120
|
970
|
840
|
825
|
695
|
565
|
1040
|
690
|
140
|
1120
|
220
|
|
XZS -800
|
1090
|
970
|
840
|
825
|
695
|
565
|
800
|
590
|
125
|
900
|
160
|
|
XZS -600
|
950
|
850
|
730
|
720
|
600
|
480
|
660
|
435
|
110
|
710
|
130
|
|
XZS -400
|
780
|
800
|
620
|
615
|
525
|
435
|
445
|
300
|
100
|
470
|
120
|
六、订货须知
该机可配二~四层分级筛网,订货时请注明型号规格,所需配备筛网要求、材料、孔状、目数、订货数量。